CPC 464

Liens externes
| Carte mère | CPU/MCU | VIDEO/SOUND | IO/ASIC | ROM | RAM |
|---|---|---|---|---|---|
|
Z80A
Microprocesseur 8 bits, conçu par Zilog, compatible avec l'Intel 8080
|
AY-3-8912
3-voice programmable sound generator from General Instrument
|
D8255AC-5
|
Amstrad 40009
32K ROM; BIOS and BASIC for CPC464 (English)
|
8x4164
|
|
Amstrad 40010
Gate-Array version 3
D8255AC-5
µPD8255
Peripheral Interface
|
8xTMS4164
|
|||
|
AY-3-8912
3-voice programmable sound generator from General Instrument
UM6845R
|
8xMK4164E-12
|
CPU: Zilog Z80A @ 4 MHz
RAM: 64 Ko
ROM: 32 Ko
Date: 1984
Laisser un commentaire
Vous ne pourrez pas sauver vos modification sans être connecté.
P.C.B. CPC464 version 1
P.C.B. CPC464 version 2
P.C.B. CPC464 version 3
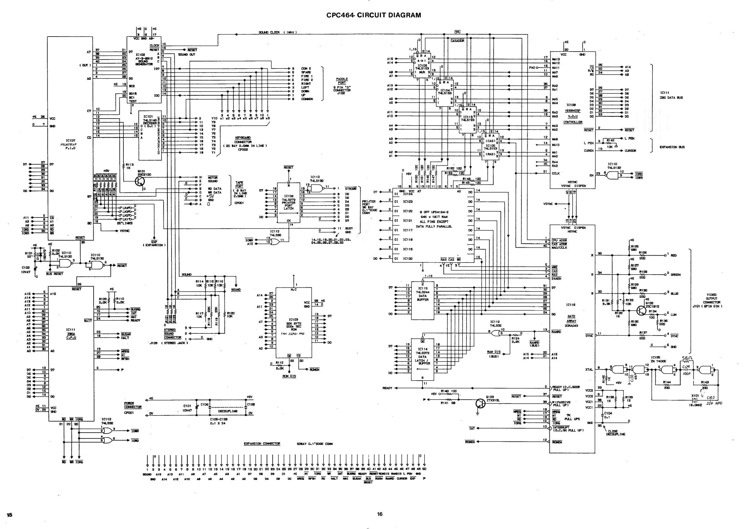
IC
Schematics
Documentation
Laisser un commentaire
Vous ne pourrez pas sauver vos modification sans être connecté.
Schematic
Documentation :
TODO