Electron

Liens externes
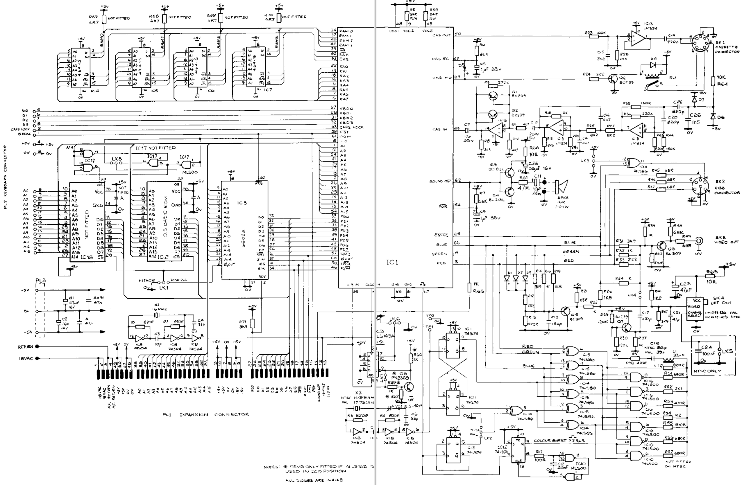
| Carte mère | CPU/MCU | VIDEO/SOUND | IO/ASIC | ROM | RAM |
|---|---|---|---|---|---|
|
R6502
8-bit Microprocessors
|
HN613256P
32K ROM; 32768 x 8 bit EPROM by Hitachi
|
4xTMS4164
|
CPU: MOS 6502A @ 2 MHz
RAM: 32 Ko
ROM: 32 Ko
Date: 1983
Laisser un commentaire
Vous ne pourrez pas sauver vos modification sans être connecté.
IC
Schematics
Documentation
Laisser un commentaire
Vous ne pourrez pas sauver vos modification sans être connecté.
Schematic